Çoklu Fonksiyonel Grupların Kemoseçici Hidrojenasyonunun Tıbbi Kimya Uygulaması
- URL Kopyalandı
Giriş
Akış hidrojenasyonu, geleneksel kesikli kimya çalışmalarını tamamlayan birçok farklı reaksiyon yolunda uygulanabilir, ancak tek bir akış sürecinde kemoselektif hidrojenasyonları tanımlayan makaleler azdır.1,2 Bir tıbbi kimya projesinde McCluskey ve çalışma arkadaşları, yüksek oranda dekore edilmiş norcantharidin analoglarına erişmek için bir dizi kemoselektif ardışık hidrojenasyon reaksiyonu kullandılar.3,4 Bu uygulama notu, reaksiyon koşullarının (H2 basıncı, sıcaklık, akış hızı ve katalizör) akıllıca seçilmesinin bir olefin ve bir nitrilin (Şema 1’de 1’den 2’ye ve Şema 2’de 3’ten 4’e) aynı anda indirgenmesine nasıl izin verebileceğini gösteren mükemmel çalışmayı analiz etmektedir, bir nitrile bitişik bir olefinin seçici olarak indirgenmesi (3 ila 5), bir furan halkasının ve bir olefinin hidrojenlenmeden doyurulması (3 ila 6) veya hatta yukarıda bahsedilen üç (olefin, nitril, furan) parçanın aynı anda indirgenmesi (3 ila 7).

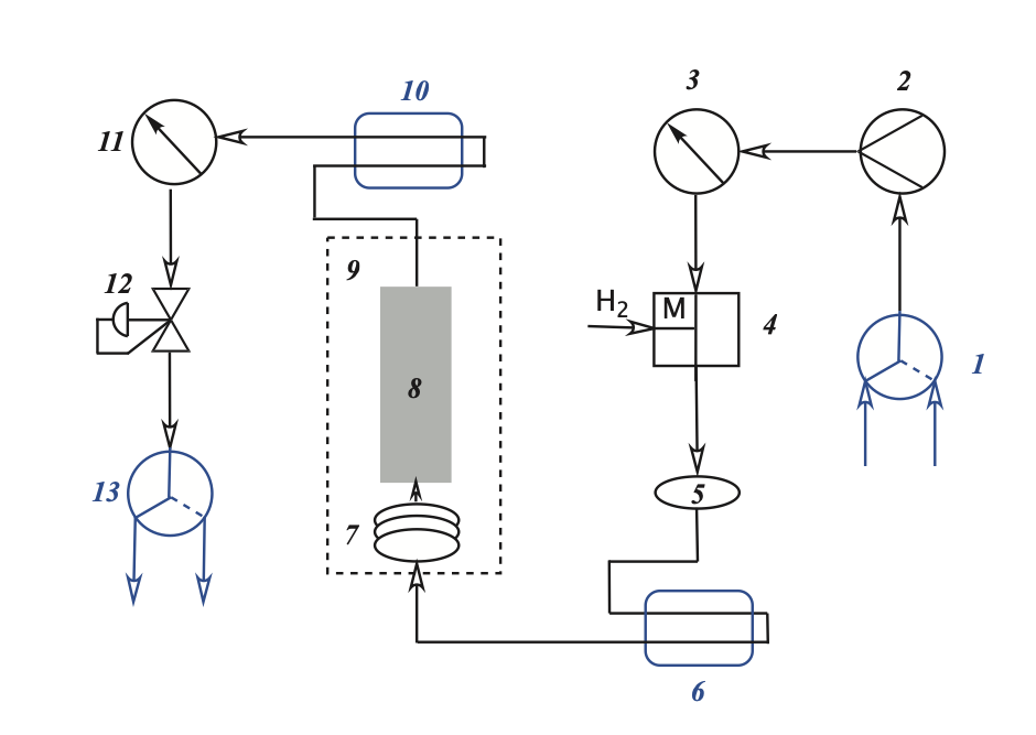
Şekil 1. H-Cube Pro™ H-Cube Pro™’nun şematik gösterimi.
- 1. Giriş anahtarlama valfi
- 2. HPLC pompası
- 3. Giriş basınç sensörü;
- 4. Gaz – sıvı karıştırıcı;
- 5. Kabarcık dedektörü;
- 5. Ön ısıtıcı bobin;
- 6. CatCart®’tan önce döngü bağlantı modülü;
- 7. Ön ısıtıcı bobini;
- 8. Katalizör yatağı;
- 9. Peltier ısıtma ünitesi;
- 10. CatCart®’tan sonra döngü bağlantı modülü;
- 11. Sistem basınç sensörü;
- 12. Geri basınç regülatörü,
- 13. Çıkış anahtarlama valfi
Enstrümantasyon
McCluskey çalışmalarında hem H-Cube Pro™ hem de H-Cube™ cihazlarını kullanmıştır. Bu reaktörlerde (Şekil 1), pompa sıvıyı basınç sensöründen geçirerek gaz-sıvı karıştırıcısına iletir ve burada yerinde üretilen H2 gazı reaksiyon hattına salınır. Gaz-sıvı karışımı kabarcık dedektöründen geçtikten sonra sıcaklık kontrollü katalizör yatağından akar. Son olarak, karışım bir şişede veya flakonda toplanmadan önce sistem basınç sensöründen ve geri basınç regülatöründen geçer.

Şema 1. Bir olefin ve bir nitrilin eşzamanlı indirgenmesi

Şema 2. Bileşik 3’ün hidrojenasyonu.
Deney
Hidrojenasyonu H-Cube Pro™”yla Nasıl Yaparız?
İlk olarak, su haznesinde yeterli miktarda deiyonize su (14 MOhm/cm iletkenlik) bulunduğundan emin olun, su seviyesi ekranda görünür. Ardından, uygun CatCart®’ı tutucuya yerleştirin, ardından CatCart® kapağını sıkın (parmak sıkılığında). Dokunmatik ekranda aşağıdaki parametreleri ayarlayın: akış hızı, sıcaklık, H2 basıncı. Ekrandaki başlat düğmesine basın ve durum penceresini okuyun:
- 1. Hazırlama – sistem reaksiyonu yıkamaya başlar 2 mL/dak akış hızında hat
- 2. Sıcaklık ve sistem basıncı oluşturma
- 3. H2 gaz basıncının oluşturulması (gradyan basıncı sistem basıncına kıyasla gereklidir)
- 4. H2 gazını gaz-sıvı karıştırıcısına bırakın
- 5. Kararlı mesajı göründüğünde, reaksiyon karışımı giriş kullanılarak sisteme sokulabilir anahtarlama valfi.
3-amino-2-(furan-2-ilmetil)-N-(4-me-toksibenzil)-propanamid (4) sentezi. 3 MeOH (7 mL) içindeki bileşik 3 (0,1 g, 0,35 mmol), 1 mL/dak akış hızı, 50°C ve 10 bar H2 basıncında (%100 H2) RaNi katalizörlü (30×4 mm CatCart®) H-Cube Pro™ kullanılarak hidrojenlendi. Çözücü vakumda uzaklaştırılarak 4 kantitatif verimde berrak bir yağ olarak elde edildi. 1H NMR (CDCl3, 400 MHz): δ 7.27 (dd, 1H), 7.12 (d, 2H), 6.82 (dd, 2H), 6.26 (dd, 1H), 6.09-5.96 (m, 1H), 4.38 (dd, 1H), 4.29 (dd, 1H), 3. 78 (s, 3H), 3.02 (dd, 1H), 2.92 (dd, 1H), 2.88-2.80 (m, 1H), 2.76 (d, 1H), 2.56 (dd, 1H), 1.46 (s,2H). Lütfen ref. 4 tam karakterizasyon hakkında ayrıntılar için.
2-Siyano-3-(furan-2-il)-N-(4-metoksibenzil) propanamid (5). 3 Bileşik 3 (0,1 g, 0,35 mmol) MeOH (7 mL) içinde H-Cube Pro™ kullanılarak %10 Pd/C katalizörü (30×4 mm CatCart®) ile 3 mL/dak akış hızında, 25°C’de ve 0 bar (resmi değer) %10 H2 basıncında hidrojenlendi. Çözücü vakumda uzaklaştırılarak kantitatif verimle beyaz bir katı olarak 5 elde edildi. 1H NMR (CDCl3, 400 MHz): δ 7.32 (d, 1H), 7.15 (d, 2H), 6.88- 6.83 (m, 2H), 6.34 (br s, NH), 6.31 (dd, 1H), 6.22 (d, 1H), 4.47-4.32 (m, 2H), 3.80 (s, 3H), 3.70 (dd, 1H), 3.32 (m, 2H). Tam karakterizasyonla ilgili ayrıntılar için lütfen ref. 4 tam karakterizasyon hakkında ayrıntılar için.
Bileşik 1-7’nin sentezi ve karakterizasyonu ile ilgili ayrıntılar için lütfen referans 3 ve 4’e bakınız.
Riskler ve Tehlikeler
H-Cube akış reaktörleri ailesi, kapalı kartuşlarda bulunan piroforik katalizörler ve sudan yerinde üretilen hidrojen ile laboratuvar güvenliğini artırır.5 Bu nedenle hidrojen tüplerine olan ihtiyaç ortadan kalkar. Reaksiyon hattı paslanmaz çelikten (0,5 mm iç çap, SS 316L) yapılmıştır. Katalizör kartuşu, insanların katalizöre maruz kalmasını önemli ölçüde azaltır ve bu da piroforik katalizörlerin kullanımıyla ilgili riskleri azaltır. Hidrojenasyon işlemi yalnızca kartuşun içinde gerçekleşir. Reaksiyon bölgesi 0,3 mL’den azdır (30×4 mm CatCart®’ın boşluk hacmi). Son derece düşük hacim NFPA 45, Ek C bölüm C.5.3 paragraf (5 ve 6) ile uyumludur. (NFPA – Ulusal Yangından Korunma Birliği – 45: Kimyasalların Kullanıldığı Laboratuvarlar için Yangından Korunma Standardı)
H-Cube Pro™, orijinal H-Cube®’ün geliştirilmiş bir versiyonudur. H-Cube Pro™’nun temel avantajları, 60 mL/dak’ya kadar daha büyük H2 üretim kapasitesi ve reaksiyon hattındaki H2 miktarının hassas kontrolüdür. Bir kimyagerin bakış açısından temel farklılıkları aşağıdaki tabloda görebilirsiniz:

Özet ve Sonuç
Heterojen katalitik koşullar altında moleküler hidrojen tarafından indirgenebilen çeşitli fonksiyonel gruplar vardır. McClusky ve çalışma arkadaşları, akış kimyasının, hassas parametre kontrolü (dar bir parametre “penceresi” kullanarak) ve hızlı parametre optimizasyonundan yararlanarak “tek akışlı” süreçlerde dihidrojen ile kemoselektif hidrojenasyonlar elde etmek için tıbbi kimyagerlere yeni fırsatlar sunduğunu gösteren ilk kişiler arasındadır. H-Cube Pro™, bir nitrile bitişik bir iç olefinin seçici olarak indirgenmesine bile izin verir (3’ten 5’e indirgeme). Standart kesikli sentez kullanılarak heterojen koşullar altında kemoselektif hidrojenasyonların elde edilmesi çok daha zor, hatta imkansızdır.
Referans: ThalesNano